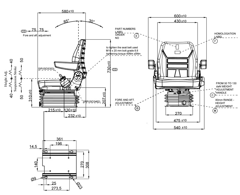
| Suspension | : | Narrow Mechanical Suspension | |
| Sliding Base | : | Fore and Aft. Adjustment 250mm (Incremente of 15mm) | |
| Suspension Stroke | : | 100mm (Four Spring & Hydraulic Shock Absorber) | |
| Height Adjustment | : | 80mm | |
| Weight Adjustment | : | 50-130kg. | |
| Backrest Adjustment | : | Back 30° | Front 85° | |
| Lumbar Adjustment | : | Option | |
| Armrest | : | Foldable Armrest | |
| Certificates | : | EU 1322/2014 – ECE R16.06 | |
* It is a yellow artificial PVC with high covering power, waterproof and vacuumable. With mounting bracket, it is perfectly compatible with John Deere 5000 series.





